
- fx-FD10Pro 測量計算
- 線上の点、幅杭(直線)プログラム
fx-FD10Pro 測量プログラム線上の点、幅杭(直線)
本プログラムは、予め「実行前に必要な設定」が終了している事を前提としております。
2020年10月より 新バージョン(Ver.1.1)となっております(最新版:Ver.1.12)。
プログラムの概要
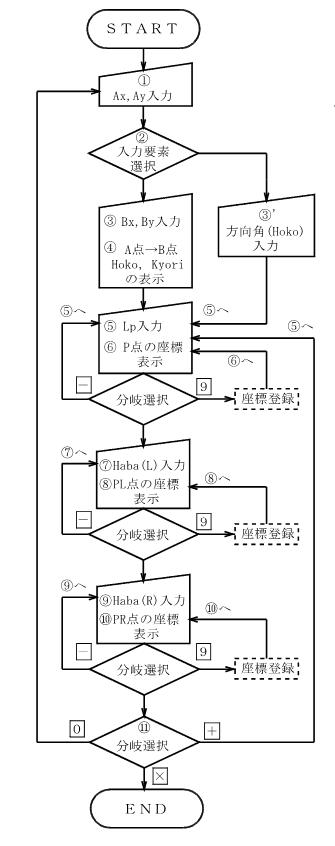
線上の点、幅杭計算(直線)プログラムの概要は次の通りです。
直線上の任意の点(P点)の座標と、幅杭(PL点、PR点)座標を計算します。
直線情報の入力は、2点の座標入力と、1点の座標と方向角入力の2通りから選んで入力します。
幅員(Haba(L),Haba(R))が0以下の幅杭は計算しません。
※左右の幅員に0(ゼロ)を入力すると、中心座標のみ計算します。
▼起動時・終了時の画面
操作の流れ
線上の点、幅杭計算(直線)の操作の流れは次の通りです。
プログラム入力サービスのご案内
プログラムの入力には ミス が付き物です。 入力に要する時間よりも、ミスのチェックに要する時間の方が長いことも良くあります。
プログラムを入力し、ミスを調べ、正しく計算されている事をチェックをするには、かなりの 時間と労力 を必要とします。
そういったプログラム入力に関わる 時間と労力を省略 したいとお考えの方は、
下記サービスのご利用をご検討ください。
Excel 測量計算 のご案内
Excel 測量計算(Ver.2)は、様々な測量計算(30種)ができるように作られたソフトウェアです。
1,000点 の座標登録ができ、測点名で検索できます。また、CSV や SIMAデータの作成、簡易図形表示も備えています。
Web 測量計算2 のご案内
Web 測量計算2は、座標登録ができ、CSV・SIMAデータの読み込み・書き出しなど、Excel測量計算(Ver.2)と同等の機能を追加した Web 測量計算 の進化版です。
ただいま Excel測量計算 が 半額 で入手できる 特典 が付いています。
プログラム(PDF) ダウンロード
プログラム(PDF)をダウンロードする前に、
下記 「ご了承ください」 の各項目をお読みください。
ご了承ください
- 本プログラムは著作権法によって保護されている著作物です。本内容の全部、または一部を複製し、転売(オークションに出品)するような行為はお止め下さい。
- 本プログラムリストはPDFファイルで、パスワードが設定されています。
- 本プログラムファイルにはサブルーチンが含まれていません。別途ダウンロードしてください。
- プログラムの入力を始める前に fx-FD10Pro 取扱説明書を熟読されることをお勧めします。
- 本プログラムをご使用になる前に、『内容説明書』『操作手順書】『例題集』を良くお読みになり、操作方法を練習してください。
マニュアル類ダウンロード(PDF)
- 本プログラムはお客様の責任でお使いください。本プログラムに起因するトラブルにより損害を受けても、弊社は一切の責任を負いません。
- プログラムを手動で間違いなく入力するのは至難の業です。また、入力ミスは、必ずと言っていいほど発生します。どうか根気よく入力し、チェックを入念に行ってください。
- プログラムの入力方法がわからない、エラーが出る、答えが合わない、といった内容のお問い合わせはご容赦願います。
上記「ご了承ください」に記載の全項目についてご了承頂けましたでしょうか? 一つでもご了承頂けない方は プログラムのダウンロードを お止めください。
本プログラムにはサブルーチンが含まれていません。別途ダウンロードしてください。





